SP6609HPS
是一顆電流模式PWM控制芯片,內置功率MOSFET
詳細介紹
文檔與工具
樣品及購買
SP6609HPS是一顆電流模式PWM控制芯片,內置功率MOSFET。在PWM模式下工作于固定頻率,這個頻率是由內部精確設定的。在空載或者輕載時,工作頻率由IC內部調整。芯片可以工作在綠色模式,以此來減小輕載時的損耗,提高整機的工作效率。
SP6609HPS在啟動和工作時只需要很小的電流,可以在啟動電路中使用一個很大的電阻,以此來進一步減小待機時的功耗。采用了抖頻技術,能夠有效改善系統的EMI性能。系統的跳頻頻率設置在音頻(20KHz)以上,在工作時可以避免系統產生噪音。
SP6609HPS內置多種保護,包括逐周期限流保護(OCP),過載保護(OLP),過壓保護(OVP),VDD過壓箝位,欠壓保護(UVLO),過溫保護(OTP)等,通過內部的圖騰柱驅動結構可以更好的改善系統的EMI特性和開關的軟啟動控制。
SP6609HPS采用DIP8封裝
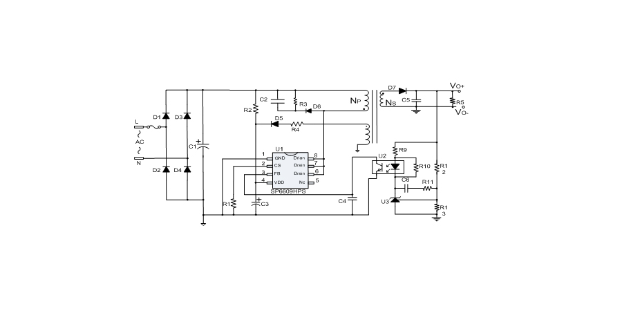
典型應用框圖
應用
全電壓范圍內待機功耗低于75mW
內置650V高壓功率管
4ms軟啟動減小MOSFET的Vds應力
抖頻功能,改善EMI性能
調頻模式,改善輕載效率
無噪音工作
固定65KHz開關頻率
內置同步諧波補償
內置前沿消隱功能
手機、數碼相機充電器
小功率電源適配器
AC/DC開放式開關電源
機頂盒電源
樣品及購買
樣片申請
推薦產品
