SP6638HP
是一顆電流模式PWM控制芯片,內置功率MOSFET,用于功率在27W以內的方案。
詳細介紹
文檔與工具
樣品及購買
SP6638HP是一顆電流模式PWM控制芯片,內置功率MOSFET,用于功率在27W以內的方案。該芯片在系統輸出空載時工作在跳頻模式,在系統輸出輕載到中等負載階段工作在PFM模式,在輸出重載時工作在最大恒定工作頻率。SP6638HP的啟動電流和工作電流設定的比較小,以此減小待機時的功耗。芯片內置有斜坡補償電路,避免次諧波振蕩的發生,改善系統的穩定性。芯片內置有前沿消隱時間(Leading-edge blanking time),消除緩沖網絡中的二極管反向恢復電流對電路的影響。該芯片帶有抖頻功能,能夠有效改善系統的EMI性能。芯片最低的工作頻率設置在音頻以上,在工作時可以避免系統產生噪音。SP6638HP內置多種保護,包括逐周期限流保護(OCP),過壓保護(OVP),VDD過壓箝位,欠壓保護(UVLO),過溫保護(OTP)等,通過內部的圖騰柱驅動結構可以更好的改善系統的EMI特性和開關的軟啟動控制。SP6638HP使用DIP7無鉛封裝。
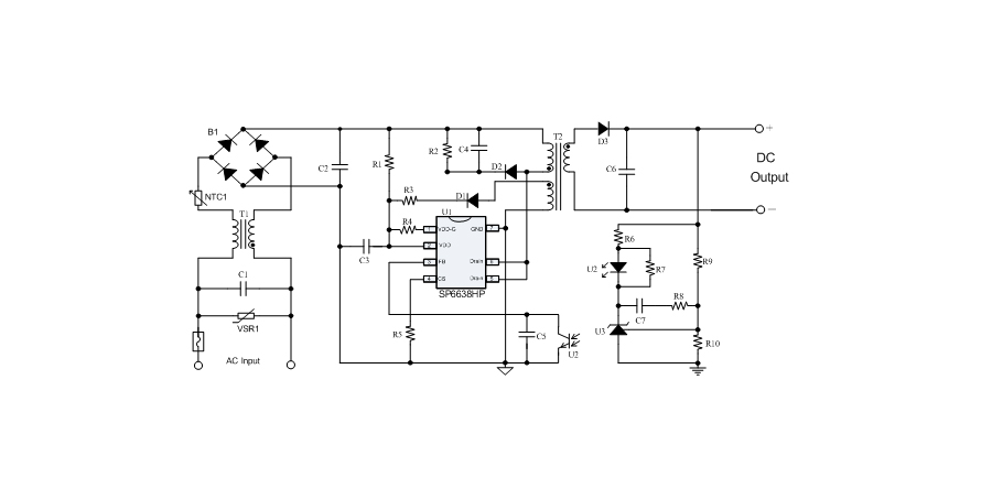
典型應用框圖
應用
● 4ms軟啟動
● 抖頻功能
● 空載跳頻功能
● 無噪聲工作
● 固定65KHz開關頻率
● 內置同步斜坡補償
● 低啟動電流,低工作電流
● 內置前沿消隱(LEB)功能
● 逐周期限流保護(OCP)
● 過壓保護(OVP),欠壓保護(UVLO),VDD電壓箝位
● 過溫保護(OTP)
● 工作在DCM模式下可以實現輸出恒功率
● 充電器
● PDA、數碼相機、攝像機電源適配器
● 機頂盒電源
● 開放框架式開關電源
● 個人電腦輔助電源
樣品及購買
樣片申請
推薦產品
