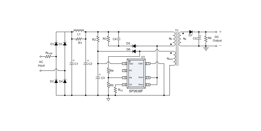
SP2638F
是一款性能優異的原邊反饋控制電路,應用于小功率 AC/DC 充電器與適配器。
SP2638F 是一款性能優異的原邊反饋控制電路,應用于小功率 AC/DC 充電器與適配器??刂齐娐肥褂迷叢蓸蛹夹g進行精確的恒流、恒壓控制,可以省去一般應用中的光耦與 TL431。
在恒流模式下,輸出電流可由 CS 引腳外接的采樣電阻 R CS 設定。在恒壓模式下,芯片的多種工作模式可以保證較高的整體轉換效率。
此外,芯片內置線纜壓降補償,由此取得良好的負載調整率。SP2638F 在恒流模式下工作于 PFM 狀態,在恒壓模式下工作于 PWM+PFM 狀態,輕載時降頻工作。SP2638F 工作電流很低,能夠實現小于 75mW待機功耗的應用方案。
SP2638F 提供全面的保護功能,包括逐周期限流保護(OCP)、VDD 過壓保護(OVP)、VDD 欠壓保護(UVLO)、反饋環路開路保護、輸出短路保護、輸出過壓保護、過溫保護等。其中,輸出短路保護、輸出過壓保護具有自動重啟恢復的功能。
SP2638F 采用 SOP7 封裝。
● 全電壓范圍內具有很高的恒壓精度、恒流精度
● 內置 650V 功率管
● 使用原邊反饋控制,可省去光耦與 TL431
● 可調節設定的恒流值與輸出功率
● 內置原邊反饋恒流控制
● 內建自適應峰值電流控制
● 內建原邊電感補償
● 具有良好的動態響應
● 多模式控制方式提高工作效率
● 全電壓范圍(85~264V)輸入時待機功耗小于 75mW
● 內置環路補償,不需要外置補償電容
● 超低的啟動電流和工作電流
● 可外部調整的線纜壓降補償
● 內置前沿消隱(LEB)功能
● 集成非常全面的保護功能:VDD 過壓保護、VDD 欠壓保護、逐周期限流保護、輸出短路保護、
輸出過壓保護、過溫保護。
● SOP7 封裝
● 手機、數碼相機充電器
● 小功率電源適配器
● AC/DC LED 照明驅動
● 替代線性電源
